Denyo Generator AVR Automatic Voltage Regulator NTA-4A-2DD Multiquip Y0601820608

Denyo Generator AVR Automatic Voltage Regulator NTA-4A-2DD Multiquip Y0601820608
$895 (USD)
Shipping: US $14.50 USPS Priority Mail Medium Flat Rate Box®.
Location:Fridley, MN
or
Call 763-229-3963
Description
Denyo AVR NTA-4A-2DD
Used, in good working condition.
Denyo
AVR
NTA-4A-2DD
Multiquip MQ Power P/N: Y0601820608
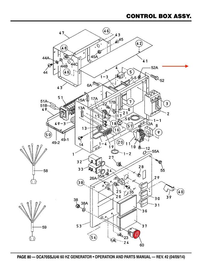
From a 70kVA Multiquip DCA70SSJU4i Generator
Also fits the following Multiquip Generator Models: DCA45SSIUF
5812-2520
Location: BR
Specifications
| Manufacturer | Multiquip |
| Model | Y0601820608 |
| Condition | Used |
| Equipment Type | Voltage Regulator |






